安全評價機構安全評價工作業績表
評價項目基本情況 | ||||||||
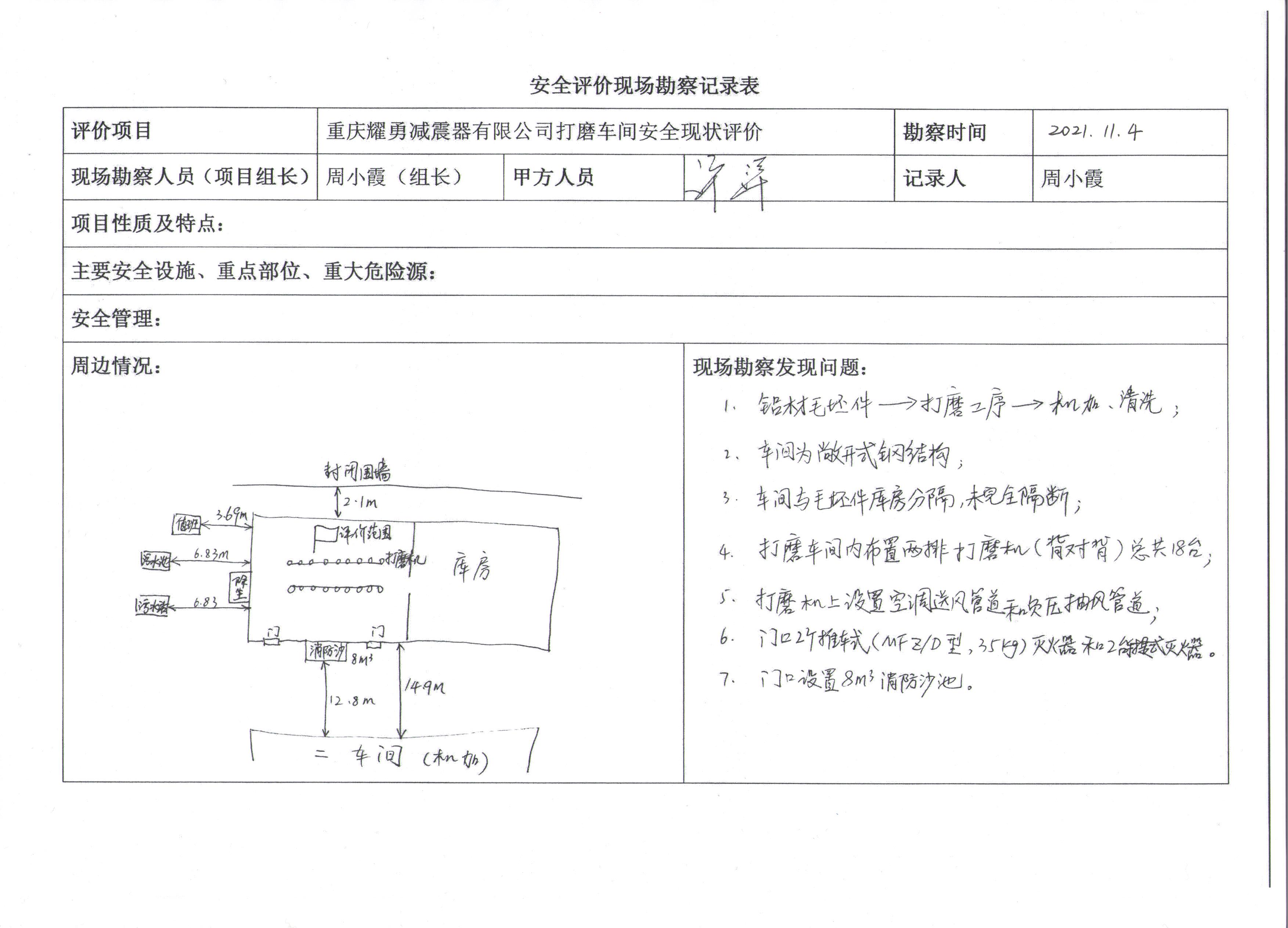
項目名稱 | 重慶耀勇減震器有限公司打磨車間安全現狀評價報告 | 合同編號 | DA(渝)-PJ-2021004 | |||||
合同簽訂時間 | 2021.08.16 | 評價行業 | 通用設備制造業(34) | |||||
評價報告提交完成時間 | 2022.05.31 | 評價類別 | 安全現狀評價 | |||||
項目所屬地址 | 重慶市九龍坡區西彭鎮鋁城大道76號 | |||||||
評價人員 | ||||||||
項目負責人 | 周小霞 | 評價組長 | 周小霞 | 技術專家 | 饒旭軍 | |||
評價報告編制人 | 周小霞 | 評價組成員 | 張紅興、崔巍、周小霞、馬殿金 | |||||
現場勘查情況 | ||||||||
現場勘查開始時間 | 2021年11月4日9:30 | 現場勘查結束時間 | 2021年11月4日12:00 | |||||
現場勘查人 | 周小霞 | 業主陪同人 | 許洋 | |||||
現場勘查情況 | 打磨車間安全現狀評價 | |||||||
報告審核情況 | ||||||||
內審 | 內審意見(R 通過 口 不通過 ) R 是 口 否 | |||||||
過程控制審核 | 內審意見(R 通過 口 不通過 ) R 是 口 否 | |||||||
技術負責人審核 | 內審意見(R 通過 口 不通過 ) R 是 口 否 | |||||||
隱患: (1)重慶耀勇公司打磨車間與廢水處理站值班室的防火間距不滿足要求。 (2)重慶耀勇公司打磨車間未按要求進行防雷檢測。 (3)打磨車間出入口靜電導出器處未張貼導出器的使用說明。 (4)企業依據《生產經營單位生產安全事故應急預案編制導則》(GB/T 29639-2020)的相關要求編制應急預案,但未做粉塵燃燒、粉塵爆炸事故現場處置方案的演練。 (5)打磨車間檢驗完成的工件在消防通道上,未及時轉運。 | ||||||||
整改措施及建議: (1)廢水處理站值班室設在其他安全區域,現有值班室停止使用。 (2)按要求定期對防雷設施的性能進行檢測。 (3)在靜電導出器上方張貼導出器的使用說明。 (4)根據編制的應急預案,進行粉塵燃燒、粉塵爆炸事故現場處置方案的現場演練,增強員工的現場處置能力。 (5)保持消防通道暢通。 | ||||||||
評價項目評價結論: 重慶耀勇減震器有限公司打磨車間具備國家現行有關安全生產法律、法規和標準、規范規定的安全生產條件,其生產安全風險可控。 | ||||||||